Python exemplarisch
deutsch     english

LICHT- UND INFRAROT-SENSOREN

 

Alle Programme können von hier heruntergeladen werden.


 

Fotodetektoren messen die Intensität der elektromagnetischen Strahlung. Wenn sie im Spektralbereich des sichtbaren Lichts (Wellenlänge zwischen 300 nm und 700 nm) empfindlich sind, werden sie auch Lichtsensoren genannt. Wenn sie im Infrarotbereich reagieren (Wellenlänge zwischen 700 nm und 1 mm), werden sie als Infrarot-Sensoren (IR-Sensoren) bezeichnet. Sie können damit auch die Wärmestrahlung von Gegenständen bei Raumtemperatur erkennen, die im Bereich von 8-35 um liegt.

 

 

Lichtsensoren

 

Die meisten Lichtsensoren bestehen aus einer Halbleiter-Fotodiode, wo der innere fotoelektrische Effekt zu einem beleuchtungsabhängigen Widerstand führt. Bei Beleuchtung werden durch die einfallenden Lichtteilchen (Photonen) zusätzliche Elektronen ausgelöst. Diese springen vom Valenzband ins Leitungsband und erhöhen so die Leitfähigkeit (bzw. senken den Widerstand R). Innerhalb eines bestimmten Bereichs der Leuchtkraft L kann die Abhängigkeit zwischen Widerstand R und Leuchtkraft L approximativ wie folgt ausgedrückt werden:

  R = Ro * L-b wobei Ro der Widerstand ohne Licht und b eine Materialkonstante sind

Dies führt in einer doppelt-logarithmischen Darstellung zu einer Gerade:

ls7

Fotozellen werden beispielsweise in Fotokameras verwendet, um die richtige Blende und Verschlusszeit zu bestimmen. Hier ist der analoge Messwert von Bedeutung. Bei einer Lichtschranke werden nur zwei Zustände betrachtet: hell oder dunkel. Der Übergangswert zwischen den beiden Zuständen wird auch Triggerpegel genannt, da die Zustandsänderung in der Regel eine Aktion auslöst (triggert).

Ziel:
Lichtsensor mit einem durch den Benutzer definierbaren Triggerpegel als Lichtschranke verwenden.

Schaltschema:
Ein LDR ist ein lichtempfindlicher Widerstand mit einer konstanten Versorgungspannung (3.3V). Die Ausgangsspannung wird mit einem ADC zu einem digitalen Signal konvertiert. Sie können eine eigene "Digitale" Fotodiode erstellen, indem Sie den LDR mit einem 1 kOhm Widerstand und einem MCP3021 ADC auf einen SMT-to-DIL Adapter löten. Wenn Sie nicht über die notwendige Ausrüstung verfügen, verwenden Sie einen ADC, der Ihnen gemäss des Kapitels über ADCs zur Verfügung steht.

ls8
ls9

Programm:[►]

# LightSensor1.py
# Light barrier with LDR sensor

import smbus
import time

TRIGGER_LEVEL = 300 # user selectable

def readData(port = 0):
    if port == 0:
        adc_address = 0x48
    elif port == 1:    
        adc_address = 0x4D
    rd = bus.read_word_data(adc_address, 0)
    data = ((rd & 0xFF) << 8) | ((rd & 0xFF00) >> 8)
    data = data >> 2
    return data

print "starting..."
bus = smbus.SMBus(1) 

state = "DARK"
while True:
    v = readData(1)  # adapt to your ADC (0 or 1)
    if v >= TRIGGER_LEVEL and state == "DARK":
       state = "BRIGHT"
       print "BRIGHT event"
    if v < TRIGGER_LEVEL and state == "BRIGHT":
       state = "DARK"
       print "DARK event"
Programmcode markieren (Ctrl+C kopieren, Ctrl+V einfügen)

Bemerkungen:
Im Hauptprogramm pollen Sie den ADC und prüfen, ob der zurückgegebene Wert unterhalb bzw. oberhalb des Triggerpegels liegt. Sie müssen eine "Zustandsvariable" state verwenden, da Sie jeweils nur die Überquerung des Triggerpegels registrieren wollen. Anstelle eines Strings können Sie auch eine boolesche Variable isBright (oder isDark) verwenden.

 

 

Hardwarebasierter Schwellendetektor (Schmitt-Trigger)

 

Das Überqueren des Trigger-Pegels kann mit einer einfachen elektronischen Schaltung festgestellt werden, die man einen Schmitt-Trigger nennt. Der Ausgang entspricht den digitalen Werten LOW oder HIGH und kann ohne ADC-Konversion direkt an einen GPIO Port angeschlossen werden. Dadurch vereinfacht sich das Programm stark und es wird wesentlich weniger Rechenleistung gebraucht, insbesondere wenn für eine Roboter-Applikation mehrere IR- oder LDR-basierte Abstandssensoren benötigt werden.

In einer klassischen Schaltung verwendet man einen Operationsverstärker (OpAmp) mit hohem Verstärkungsfaktor. Da die Ausgangspannung proportional zur Differenz der Eingangsspannung am nicht-invertierenden und invertierenden Eingang ist, aber durch die Versorgungspannung begrenzt wird, wechselt der Ausgang schnell, wenn die Eingangsspannungsdifferenz durch Null läuft. Wenn der OpAmp mit der Versorgungsspannung VCC betrieben wird (single supply opamp), wechselt der Ausgang zwischen LOW und HIGH. Mit einem Potentiometer wird der Triggerpegel eingestellt. Als Lichtquelle kann eine einfache weisse LED dienen.

ls10 Ein Opamp-basierter Schmitt-Trigger mit einstellbarem Triggerpegel

 

 

 

Infrarotsensoren / Distanz (Nahdistanz) Sensoren

 

Infrarotsensoren werden auch oft als Lichtschranken verwendet, wobei die Infrarotquelle für das menschliche Auge nicht sichtbares Licht emittiert. Gegenüber Vorrichtungen, bei welchen der Lichtstrahl sichtbar ist, ist dies manchmal vorteilhaft. Infrarotsensoren werden auch oft in Kombination mit einem Detektor verwendet, der die Intensität des reflektierten Lichts misst. Da viele Materialien Infrarotwellen reflektieren, kann damit die Distanz zum Objekt bestimmt werden. Für kurze Distanzen (1 - 100 cm) verwendet man als Lichtquelle meist eine Fotodiode (IR-LED), die ein IR-Licht um 1000 nm erzeugt. Eine Fotodiode oder ein Fototransistor empfängt das reflektierte Licht und gibt eine von der Distanz abhängige Spannung ab.

Beide Komponenten können im gleichen Gehäuse montiert sein. In der Hobby-Robotik ist der reflektierende optische Sensor mit Transistorausgang TCRT5000 von VISHAY weit verbreitet. Es gibt mehrere Bezugsquellen, zum Beispiel 4tronix (www.4tronix.co.uk) oder über Ebay. Detaillierte Informationen finden Sie auf dem Datenblatt und einige Beispiele unter Applikationshinweisen.  


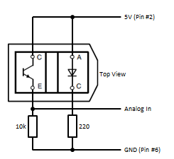
Ziel:

Die Entfernung zu einem Objekt mit einem Infrarotsensor messen und das Ergebnis in der Konsole und (falls vorhanden) auf einem angeschlossenen Display anzeigen.

Schaltschema:
Der Infrarotsensor TCRT5000 benötigt eine Versorgungsspannung 5V. Verbinden Sie Analog In mit einem ADC.

 

Im vorhergehenden Kapitel haben Sie gelernt, wie Sie einen ADC anschliessen müssen.

hand1 Beachten Sie, dass Sie die Pullup-Widerstände auf den SDA und SCL-Leitungen entfernen müssen, wenn Sie den ADC mit 5V versorgen.

 

 

 

Da die Input-Output-Beziehung nicht linear ist, ist die Transformation der Spannung auf eine Distanz ein algorithmisches Problem.

 
Fototransistorstrom (in mA) in Abhängigkeit vom Abstand zu einem reflektierenden Objekt (mm) für konstante 10V-Versorgungsspannung und einem typisch reflektierenden Material.

In diesem Beispiel schreiben wir statt der Distanz lediglich die Ausgangsspannung des Sensors aus.

In vielen Anwendungen von Distanzsensoren spielt der absolute Wert der Entfernung keine Rolle, da der Sensor dazu verwendet wird, eine Aktion auszulösen, wenn der Abstand einen bestimmten Wert überquert (von nah nach fern oder umgekehrt). In diesem Beispiel wird ein Licht oder Summer eingeschaltet, wenn der Abstand zu klein wird (analoges Beispiel, um einen fahrenden Roboter in der Nähe eines Hindernis zu stoppen).

Programm:[►]

# Infrared1.py
# using the PCF8591 ADC

import smbus
import time
import RPi.GPIO as GPIO


P_LED = 22
TRIGGER_LEVEL = 25
DT = 0.2

def setup():
    GPIO.setmode(GPIO.BOARD)
    GPIO.setup(P_LED, GPIO.OUT)

def beep(n):
    for i in range(n):
        GPIO.output(P_LED, GPIO.HIGH)
        time.sleep(0.05)
        GPIO.output(P_LED, GPIO.LOW)
        time.sleep(0.05)

bus = smbus.SMBus(1)  # RPi revision 2 (0 for revision 1)
i2c_address = 0x48
setup()
beep(3) # to say we are ready
while True:
    data = bus.read_byte_data(i2c_address, 0) # read ch0
    if data > TRIGGER_LEVEL:
        beep(2)
    time.sleep(DT)
Programmcode markieren (Ctrl+C kopieren, Ctrl+V einfügen)

 

Infrarot-Reflexionslichtschranken sind in Industrieprodukten weit verbreitet. Das optisch-elektronische Bauelement GP2Y0A21YK, (von Sharp), wird mit Erfolg in der ganzen Welt eingesetzt. Es handelt sich um ein einfaches 3-Kabel-Device, das mit 5 V betrieben wird, und eine distanzabhängige Spannung unter 3.3 V zurückgibt. Es sind somit keinerlei externe Komponenten nötig und das Bauelement kann direkt an einem 3.3V ADC angeschlossen werden.  

Wie aus dem Datenblatt zu entnehmen ist, steht die Ausgangsspannung u leider nicht in einer einfachen Beziehung zur Distanz d. Aber u = f(1/d) kann mit einer Gerade u = mx + b mit m = 19.8 und b = 0.228 im Bereich d = 7 bis d = 80 cm gut approximiert werden.

Das Programm zeigt die Distanz in der Konsole und (falls vorhanden) auf einem angeschlossenen Display.

Programm:[►]

# Infrared2.py
# GP2Y0A21YK sensor with PCF8591 ADC

import smbus
import time
from py7seg import Py7Seg # xxx

bus = smbus.SMBus(1)  # RPi revision 2 (0 for revision 1)
i2c_address = 0x48
ps = Py7Seg() # xxx
# u = mx + b, x = 1/d
m = 19.8
b = 0.228
while True:
    data = bus.read_byte_data(i2c_address, 0) # use CH0
    u = data / 255 * 5
    d = int(m / (u - b))
    print "d =" ,d, "cm"
    ps.showText("%4d" %d) # xxx
    time.sleep(0.1)
Programmcode markieren (Ctrl+C kopieren, Ctrl+V einfügen)

Bemerkungen:
Falls Sie keinen ELV-Display haben, verwenden Sie eine andere Digitalanzeige, oder kommentieren Sie die mit xxx markierten Zeilen aus.